www.rfpcb.com/ms_boards
(Updated July 3, 2009)
Mega I/O Six Printed Circuit Board
Click on the following links to open each picture in a new browser window
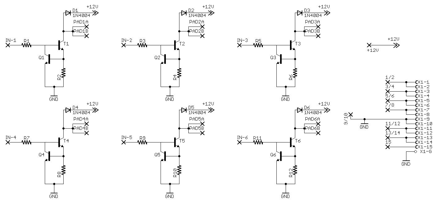
Schematic diagram of the Mega I/O Six Board
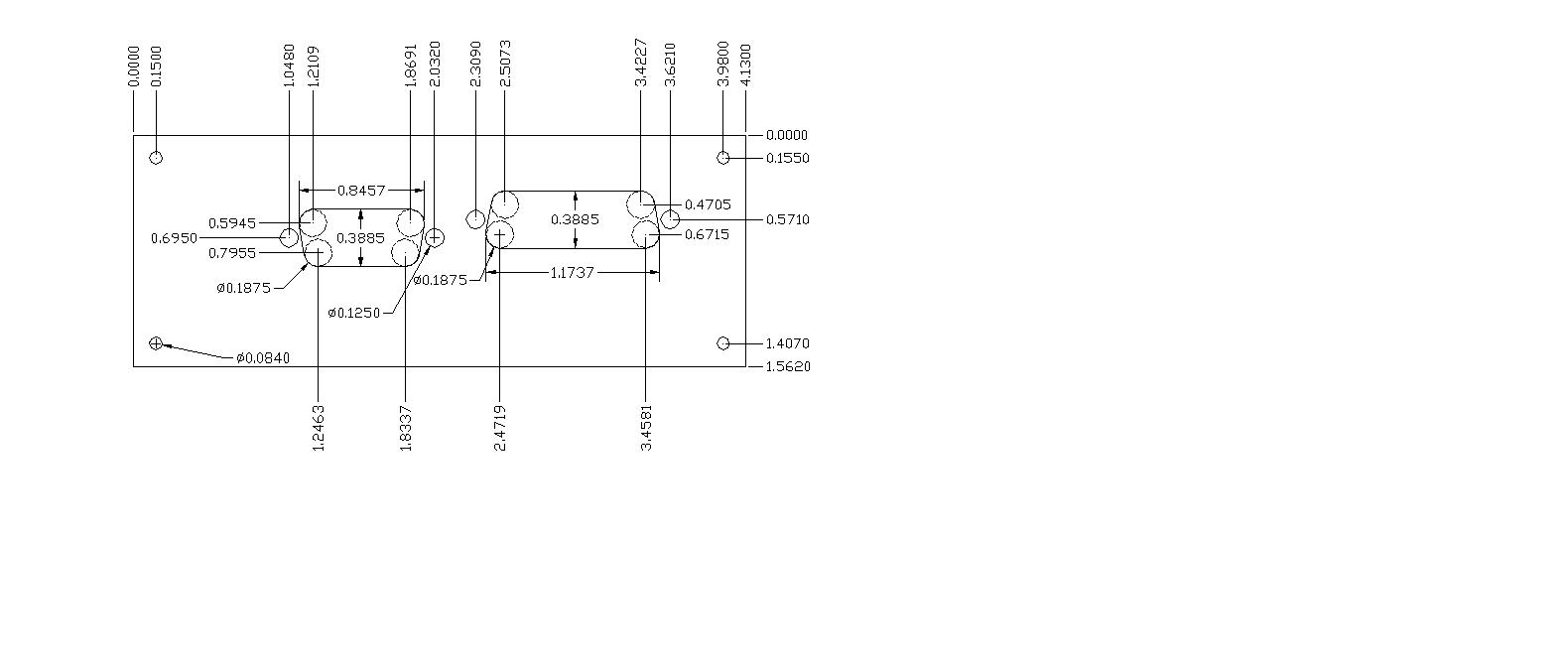
Drawing of required endplate notch for Sub-D 15 pin connector (relative to a MS V3.0 Board, mounted in a Context Enginnering #4006 Enclosure)
Same drawing as above, in inverted black & white for First Fives Peter
Drawing of a Sub-D connector showing required 0.318" setback between connector and first row of pins
Cheesy drawing showing where jumper wires need to be installed on the back side of the circuit board
Pictures of my own modified V3.0 case (kind of rough, but invisible in the real world!)
Text explaining board assembly
$20 US per board (I'll pay for shipping & handling up to $5 US)
Questions, comments, or ideas? Please forward them to